インバーターの電気・熱連成解析(ROMバージョン)
解析・利用例のポイント
- Dynamic ROM Builder機能の活用による計算高速化
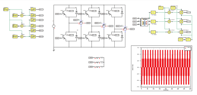
半導体の温度上昇を考慮し、インバーターの電気的挙動を計算
Co-Simulation の事例([解析事例]インバーターの電気・熱連成解析)において、ヒートシンクの熱流体解析を Ansys Twin Builder の Dynamic ROM Builder 機能で ROM化し、約5000倍の高速化を実現しました。
学習データの取得
Dynamic ROM Builder による ROM化
ROMを用いて電気-熱連成解析
あわせて読みたい
